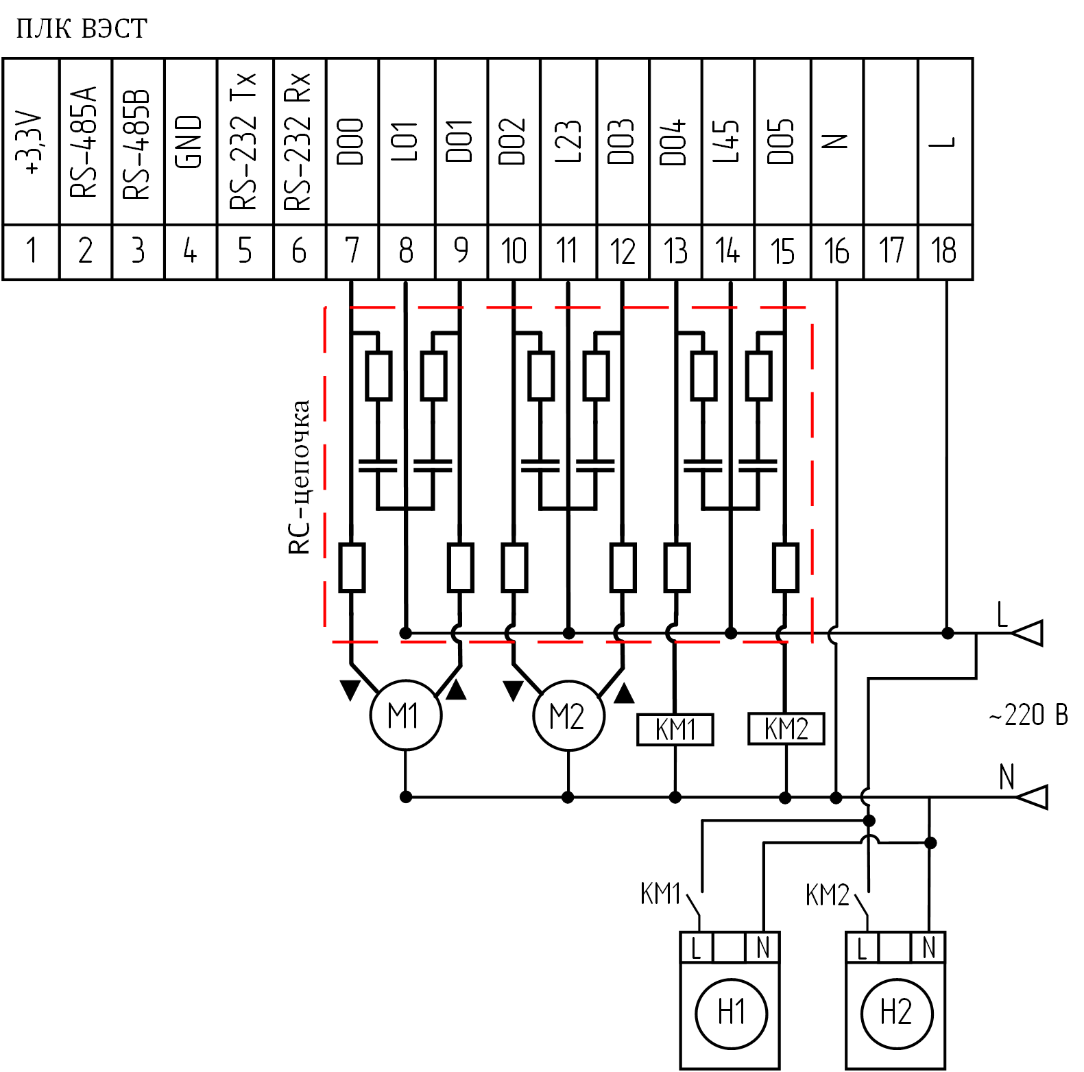
Защитный модуль с RC-цепочкой
1000 ₽
Арт. RC-tsepochka
НПО ВЭСТ
Три защитные цепочки в одном устройстве. Модуль предназначен для подавления выбросов напряжения, возникающих при коммутации индуктивно-реактивных компонентов.
Подробности
Характеристики
Цена действительна только для интернет-магазина и может отличаться от цен в розничных магазинах
Защитный модуль с RC-цепочкой
1000 ₽
Арт. RC-tsepochka
#PROP_TITLE#
—
#PROP_VALUE#
Модуль защиты с RC-цепочкой
Три защитные цепочки в одном устройстве. Модуль предназначен для подавления выбросов напряжения, возникающих при коммутации индуктивно-реактивных компонентов: электромагнитных реле, пускателей, контакторов и других исполнительных механизмов.
Область применения:
Защита контактов от разрушения электрической дугой и снижение уровня коммутационных помех. Также может применяться для уменьшения скорости нарастания напряжения (dV/dt) на силовых полупроводниковых приборах (транзисторах, тиристорах, симисторах).
Конструктивные особенности:
- Устройство заключено в пластиковый корпус.
- Монтаж осуществляется на стандартную 35-мм DIN-рейку.
- Клеммы обеспечивают надежный зажим проводов.
Технические характеристики
| Наименование характеристики | Значение |
|---|---|
| Номинально рабочее напряжение |
220 В. |
| Ёмкость конденсатора |
0,01 мкФ. |
| Сопротивление резистора |
220-240 Ом. |
| Мощность резистора |
2 Вт. |
| Диапазон рабочих температур |
-25…+55 `С |
Примечание: Прибор рассчитан на управление механизмами с током нагрузки до 50 мА. При превышении указанного тока подключайте исполнительный механизм через промежуточное реле. Фотогалерея
1/2
—
Вам может понравиться
#PROP_TITLE#
#PROP_VALUE#

