Кабель-разветвитель интерфейсный RS-232 (GPRS/DE-9F/2)
1 500 ₽
НПО ВЭСТ
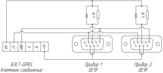
Кабель предназначен для подключения двух приборов-тепловычислителей ТЭМ-104, ТЭМ-106, ТЭСМА-106, ВКТ-7, ТВ-7 и других к GPRS модему через интерфейс RS-232.
Подробности
Характеристики
Цена действительна только для интернет-магазина и может отличаться от цен в розничных магазинах
Кабель-разветвитель интерфейсный RS-232 (GPRS/DE-9F/2)
1 500 ₽
#PROP_TITLE#
—
#PROP_VALUE#
Технические характеристики:
| Тип разъёма 1 | Клеммное соединение 2EDGK-5.08-06P |
| Тип разъёма 2 | DE-9F |
| Тип разъёма 3 | DE-9F |
| Стандартная длина, м | 0,5 |
| Максимальная рекомендуемая длина, м | 5 |
| Совместимость | ТЭМ-104, ТЭМ-106, ТЭСМА-106, ВКТ-7, ВКТ-9, ТВ-7, а также с ВЭСТ-GPRS |

